
D505/7DZ双触点压力控制器 
	 
 控制器采用无泄漏活塞式的传感器,可用于含油雾的压缩空气及其他对压力传感器材料无腐蚀作用的含油雾气体和液压油,水油乳浊液及润滑性能良好的中性液体介质。控制器的设定值可调,其调节范围0.3-23 Mpa。 
 
 ■主要技术性能 用于含油雾的压缩空气、液压油、水乳浊液及其它对压力传感器材料无腐蚀性作用的气体和润滑性能良好的中性液体介质。 工作粘度:<1×10-3m2/s 开关元件:微动开关 外壳防护等级:IP54 环境温度:-5~40℃ 介质温度:0~100℃ 安装位置:压力接口垂直向下(允许顷斜15°) 抗振性能:Max:20m/s2 重复性误差:≤2.5% 同步性误差:≤0.5%(指下切换值的同步误差*2) 触点容量:AC220V6A(阻性)600VA 
 
 
 
 ■规格 ·D505/7D切换差不可调 
 注:1.在实际工作中,即使短暂的压力峰值也不能超过此值。 2.要求上切换值同步,应在订货中说明。 
 
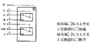
 ■外形及安装尺寸 01 02       ![]() 
	 
 
 ■控制器的选用和安装说明(详见控制器的安装和选用) 
 ■设定值的调整(详见压力控制器设定值的调整) 
 ■附件 可供选用附件目录编号:0574767,0574772,0574773 
  | 
      |||||||||||||||||||||||||||










 
     