
YPF系列 膜片压力表
膜片压力表适用于测量具有一定腐蚀性、非凝固或非结晶的各种流体介质的压力或负压。 耐腐蚀性能取决于膜片材料。| Y | P | F |
□ 表壳外径 |
类型 |
| 压力表 |
|
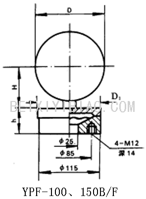
A)膜片压力表 M20×1.5外螺纹接口 B)不锈钢膜片压力表 M20×1.5外螺纹接口 B-F)法兰不锈钢膜片压力表 25-10GB法兰接口 |




| YPF-100A | YPF-100B | YPF-100B-F | YPF-150A | YPF-150B | YPF-150B-F | |
| D | Ø100 | Ø110 | Ø110 | Ø150 | Ø160 | Ø160 |
| H | 66 | 66 | 66 | 91 | 91 | 91 |
| h | 32 | 32 | 36 | 32 | 32 | 36 |