
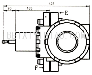
UTD-3010G型 智能浮筒式液位计(电动浮筒液位(
UTD-3010G型 智能浮筒式液位计(电动浮筒液位(界面)变送器)

| 型号 | 规格 | 内容 | |||||||||||||||||
| UTD-3010G | H(HART);F(FF);E(EPA);P(Profibus PA) | 通讯协议标准 | |||||||||||||||||
| A | A系列传感器(表头为左式要表明AL)表头朝向可变 | ||||||||||||||||||
| B | B系列传感器(表头左式要表明BL) | ||||||||||||||||||
| C | C系列传感器(表头为夹持式) | ||||||||||||||||||
| 传感器形式 | 0 | 外浮筒顶底 | |||||||||||||||||
| 1 | 外浮筒侧侧 | ||||||||||||||||||
| 2 | 外浮筒顶侧 | ||||||||||||||||||
| 3 | 外浮筒底侧 | ||||||||||||||||||
| 5 | 内浮筒顶置 | ||||||||||||||||||
| 6 | 内浮筒侧置(除C系列) | ||||||||||||||||||
| 测量形式 | 1 | 液位 | |||||||||||||||||
| 2 | 界面 | ||||||||||||||||||
| 测量形式 | 0 | 普通 -40℃~150℃ | |||||||||||||||||
| 3 | 低温 -196℃~-40℃ | ||||||||||||||||||
| 5 | 高温 150℃~350℃ | ||||||||||||||||||
| 4.0 | PN4.0 | ||||||||||||||||||
| 6.3 | PN6.3 | ||||||||||||||||||
| 16 | PN16 | ||||||||||||||||||
| 32 | PN32 | ||||||||||||||||||
| X | 其他压力等级 | ||||||||||||||||||
|
. . . . |
300~3000mm或英制单位 | ||||||||||||||||||
| C | 不锈钢304、316 | ||||||||||||||||||
| G | 碳钢 | ||||||||||||||||||
| X | 其他材质 | ||||||||||||||||||
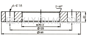
| 测量范围 | 筒体及连接法兰材质 | F | 法兰 | ||||||||||||||||
| S | 丝口闭盖 | ||||||||||||||||||
| 排放形式 | A | ExiaIICT4~6 | |||||||||||||||||
| B | ExdIICT4~6 | ||||||||||||||||||
| 防爆标志 | 0 | 筒体无夹套 | |||||||||||||||||
| Z1 |
蒸汽半夹套G1/2寸外螺纹安装或法兰安装PN1.6DN15型号Z1F |
||||||||||||||||||
| Z2 |
蒸汽半夹套G1/2寸外螺纹安装或法兰安装PN1.6DN15型号Z1F |
||||||||||||||||||
| 蒸汽夹套 | O | 套管无夹套 | |||||||||||||||||
| T | 套管夹套 | ||||||||||||||||||
| 套管 | O | 支承室无夹室套 | |||||||||||||||||
| H | 支承室夹室套 | ||||||||||||||||||
| UTD-3010G | ~ | ~ | ~ | ~ | ~ | ~ | ~ | ~ | ~ | ~ | |||||||||

|
测量范围 H(mm) |
ZB=H+174 | ZA=Z+224 | Zc=H+L | |
| L=3501 | L=4502 | |||
| 500 | 674 | 898 | 850 | 950 |
| 800 | 976 | 1198 | 1150 | 1250 |
| 1200 | 1374 | 1598 | 1550 | 1650 |
| 1600 | 1774 | 1998 | 1950 | 2050 |
| 2000 | 2174 | 2398 | 2350 | 2450 |
|
测量范围 H(mm) |
0型半夹套 L=Z-82-46-56 |
1型半夹套 L=H-80 |
2型半夹套 L=H-85 |
3型半夹套 L=H-110 |
| 500 | 490 | 420 | 415 | 390 |
| 800 | 790 | 720 | 715 | 690 |
| 1200 | 1190 | 1120 | 1115 | 1090 |
| 1600 | 1590 | 1520 | 1515 | 1390 |
| 2000 | 1990 | 1920 | 1915 | 1890 |
| 3000 | 2990 | 2920 | 2915 | 2890 |
| 0、6型 | 1型 | 2型 | 3型 | 5型 |
| 无 |
|
浮筒下端丝口闭盖、PN6.4(不)三片式球阀。两个接管、闷冒。PN16,丝口闭盖带闸阀或法兰式带盖法兰。 |
浮筒上端盖法兰全套1 |
浮筒上端盖法兰全套1 |
| 材料 | 碳钢、304不锈钢、316不锈钢、钛合金 | ||||||
| 压力PN | 通径DN | 压力PN | 通径DN | 压力PN | 通径DN | 压力PN | 通径DN |
| 1.0 | 15 | 2.5 | 65 | ANSI150 | 1” | ANSI300 | 2” |
| 1.6 | 40 | 4.0 | 50 | ANSI150 | 1-1/2” | ANSI300 | 3” |
| 1.6 | 50 | 6.3 | 25 | ANSI150 | 2” | ANSI300 | 4” |
| 2.5 | 20 | 6.3 | 40 | ANSI150 | 3” | ANSI600 | 1” |
| 2.5 | 32 | 16 | 40 | ANSI150 | 4” | ANSI600 | 1-1/2” |
| 2.5 | 40 | 4.0 | 80 | ANSI300 | 1” | ANSI600 | 2” |
| 2.5 | 50 | 4.0 | 100 | ANSI300 | 1-1/2” | ||



































