
UZK系列 阻旋式料位控制器
UZK系列 阻旋式料位控制器
| 技术指标 | 型 号 | ||||
| UZK-02S | UZK-03S | UZK-04S | |||
| 供电电源 | 220VAC 50Hz; 110VAC 50Hz; 24VDC; 24VAC | ||||
| 测定粉体比重 | >0.5~0.9g/m³ | ||||
| 触点容量 | 250VAC 3A; 125VAC 5A | ||||
| 介质温度 | 普通型:-10-+80℃; 高温型:≤+350℃ | ||||
| 旋转速度 | 2.5转/分 | ||||
| 测量范围 | 固定安装位置决定 | 1m~2m | 2m~3.5m 3.5m~5m 5m~7m | ||
| 安装形式 | 螺纹或法兰侧壁水平安装或顶部垂直安装 | 螺纹或法兰顶部安装 | |||
| 用途 | 上 下限报警 | 下限报警 | |||
| 重量 | 约1.8kg | 约2.7kg | 约3.6kg~5.4kg | ||
| 压力 | 0.2~1MPa | ||||
| UZK- | 02S | 主要用于偶装 | ||||||||
| 型 号 | 03S | 用于顶装加长轴1-2mmm | ||||||||
| 04S | 用于顶装加长轴2-7mm | |||||||||
|
规 格 |
P | 普通型:-10-+80℃ | ||||||||
| S | 高温型:≤350℃ | |||||||||
|
测 量 温 度 |
Y | 0.2Mpa | ||||||||
| H | 1Mpa | |||||||||
| 测量压力 | N | 非防爆 | ||||||||
| D | 隔爆d II BT5 | |||||||||
| F | 粉尘 DIP DT T13 | |||||||||
| A | 220VAC 50Hz | |||||||||
| B | 110VAC 50Hz | |||||||||
| C | 24VCD | |||||||||
| D | 24VAC | |||||||||
| 电源电压 | A | 镰刀型 | ||||||||
| B | 小十字型 | |||||||||
| C | 方刀型 | |||||||||
| D | 十字加强型 | |||||||||
| E | 长方刀型 | |||||||||
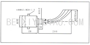
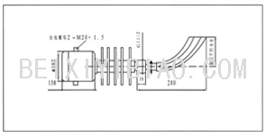
| 翼片形式 | 1 | 螺纹安装G1 1/2 | ||||||||
| 2 | 法兰安装 PN1.6 DN40 | |||||||||
| 安装方式 | 1 | 加长转动轴加保护管 | ||||||||
| 2 | 管式转动轴 | |||||||||
| 3 | 摆动式转动轴 | |||||||||
| 4 | 钢缆式转动轴 | |||||||||
| 转动轴形式 | □□□□ | mm | ||||||||
| UZK- | □ | □ | □ | □ | □ | □ | □ | □ | □□□□ | |















